06/06/2023
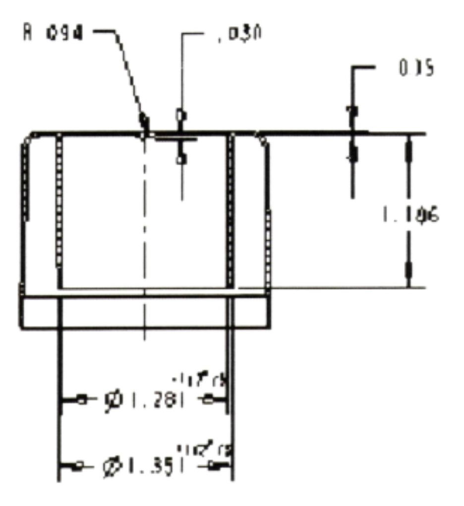
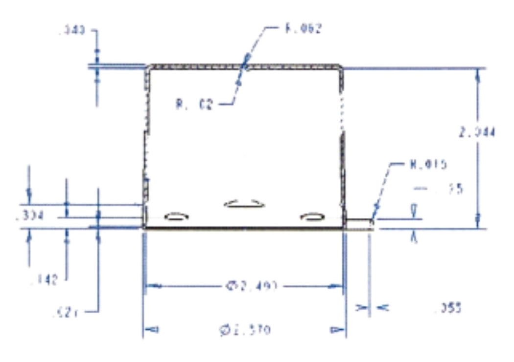
Different designs, sizes and colors, all adapted to your needs
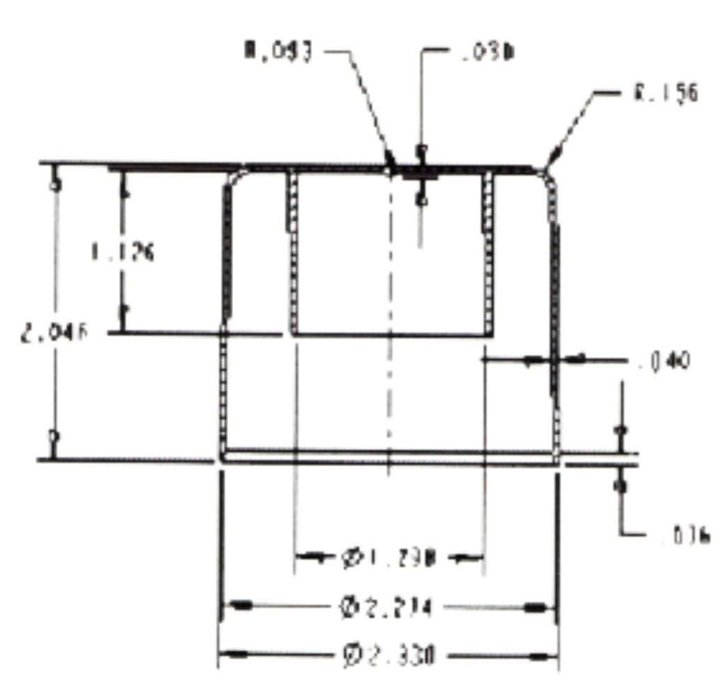
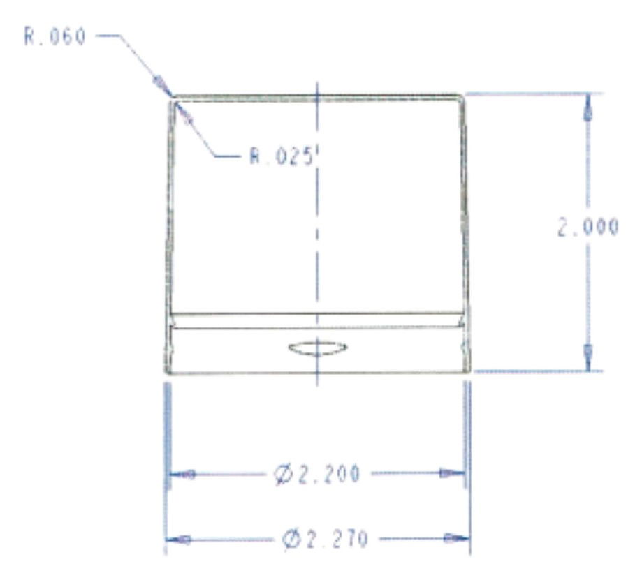
Different designs, sizes and colors, all adapted to your needs
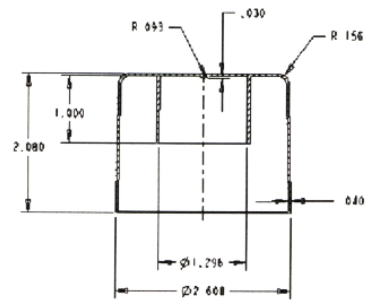
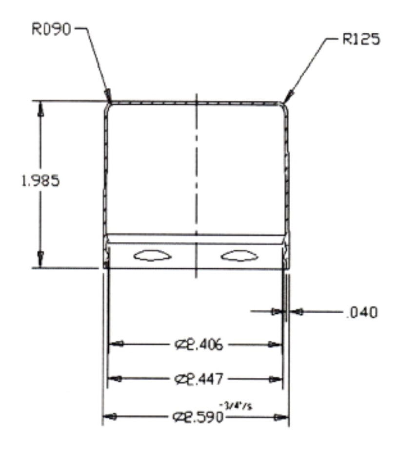
Different designs, sizes and colors, all adapted to your needs
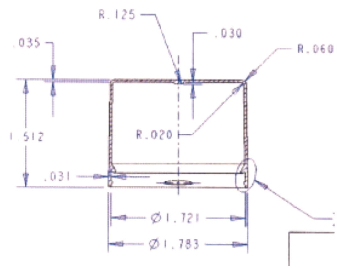
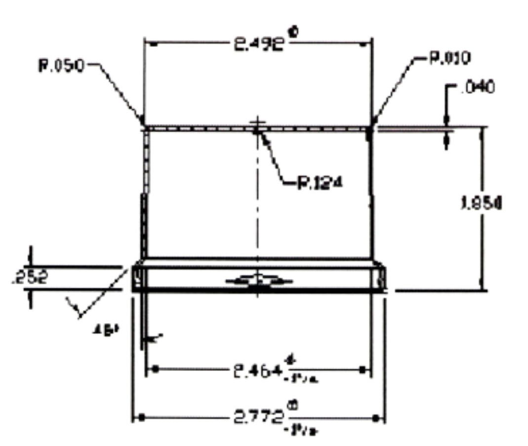
También disponible en acabado mate.
También disponible en acabado mate.














































































